林洋DSSD71/DTSD71電能表的接線
①電源端子的接線

經電流、電壓互感器接入式
三相三線多功能表接線圖(3×100V)

經電流、電壓互感器接入式
三相四線多功能表接線圖(3×57.7/100V)

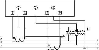
經電流互感器接入式
三相四線多功能表接線圖(3×220/380V)

直接接入式
三相四線多功能表接線圖(3×220/380V)
②功能端子定義

注: 功能端子接線方法:將小的一字螺絲刀塞進功能端子的上排孔中向下壓,使下排接線夾張開,將線直接塞入,松開螺絲刀即可。如下圖說示

③有功或無功遠動(校驗)脈沖輸出端口示意圖

或:

注:1、用戶可根據負控設備的情況任選上述接法之一。
2、Vcc可選擇5V、12V或24V,電阻可選擇Vcc/5mA(kΩ)。
3、脈沖輸出端子1和2與3或4組對。1、2接正,則3,4接負。

