三相四線電表分為高壓電表和低壓電表,直入式和互感式,一般高壓電表都是互感式的,仔細觀察我們可以發現有些三相電表是6個孔有些是10個孔,6個孔的一般是直入式的三相四線電表,10個孔的一般是互感式的三相四線電表,現在我們分別來講解兩種電表怎么接。
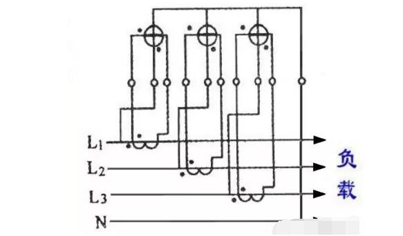
三相四線電表接線圖:直入式

1、3接線柱;4、6接線柱;7、9接線柱分別為A、B、C三相電流線圈,1、4、7接線柱接電源側A、B、C。3、6、9接線柱接負載。2、5、8接線柱為電壓線圈。10、11接線柱接零線N。
三相四線電表直入實物接線圖

三相四線電表接線圖:互感式

翻過接線端子蓋,就可以看到三相四線電表接線圖。
其中1、4、7接電流互感器二次側S1端,即電流進線端;
3、6、9接電流互感器二次側S2端,即電流出線端;
2、5、8分別接三相電源;
10、11是接零端。為了安全,應將電流互感器S2端連接后接地。注意的是各電流互感器的電流測量取樣必須與其電壓取樣保持同相,即1、2、3為一組;4、5、6 為一組;7、8、9 為一組。下面是詳細操作。
A黃線,電壓線接入2號口,電流線經過第1個電流互感器S1接入1號口輸入,S2接入3號口輸出
B綠線,電壓線接入5號口,電流線經過第2個電流互感器S1接入4號口輸入,S2接入6號口輸出
C紅線,電壓線接入8號口,電流線經過第3個電流互感器S1接入7號口輸入,S2接入9號口輸出
N黑線一般代表零線,直接接入10號口。
三相四線電表互感式實物接線圖

三相四線智能電表熱門型號推薦:

