1. 概述
珠海恒通國測DTSD25三相四線電子式多功能電能表具有四種費率、12個時段、多個時區及日時段表、百年日歷時鐘、紅外遙控編程抄表、并具有RS485通訊接口、手動停電喚醒等功能,其性能穩定,精確度高,操作方便,是適應電能管理現代化的理想計量器具。可以直接精確地測量正向、反向的有功電能以及正向和反向的無功電能,能依據相應費率和需量等要求進行處理。并可顯示當前各相電流電壓及電網頻率。
2. 主要功能
2.1 分時計量正向有功和反向有功電能;
2.2 可計量有功總電能及A、B、C分相有功電能;
2.3 分時計量正向無功和反向無功電能,正向無功和反向無功計量方式可設置;
2.4 分時計量正向有功、正向無功最大需量及其最大需量發生時間;
2.5 可編程多個時區、費率、日時段、公共假日及多套日時段表;
2.6 可實時測量各相電流、電壓、功率、功率因數等參數;
2.7 具有失壓、失流、編程、需量清零、電池工作時間和電表運行時間等事件記錄;
2.8 具有歷史12個月正向有功用電量記錄功能;
2.9 具有有功和無功測試端口,光電隔離;
2.10 可通過掌上電腦非接觸式(紅外通訊)設表(預編程)、抄表;
2.11 具有RS485遠程通訊接口,通過RS485接口與PC機或掌上電腦進行通訊;
2.12 可以在停電的狀態下不附加任何外置直流電源進行抄表,通過紅外遙控器現場查看數據;
2.13 具有事件報警及故障報警功能;
2.14 通過LCD顯示電能表的運行狀態、各種參數設置情況和各種計量數據;
2.15 可實現參數自動輪顯,輪顯的參數(最多32項)和輪顯時間、順序可任意設置;
2.16 具有編程和編程禁止功能;
2.17 具有電量清零及需量復位功能;
2.18 具有電量凍結、整點負荷等功能;
2.19 電池更換簡單容易。
以下功能可選擇:
2.20 可計量四象限的無功;
2.21 分時計量反向有功、反向無功最大需量及其最大需量發生時間;
2.22 可具有秒時鐘輸出功能;
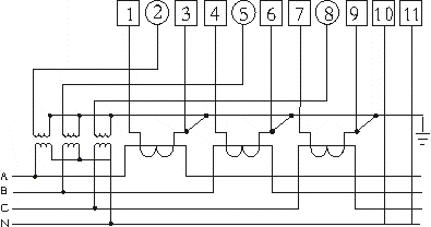
3. 電表接線
3.1 電源端子接線


三相四線電源端子接線圖

三相四線經電流互感器接入式

三相四線經電壓、電流互感器接入式
3.2 功能端子接線


