三相有功功率表是電能表的一種,功率表的接線方式也與其他不同。
三相功能表也分為二元三相功率表和三元三相功率表。
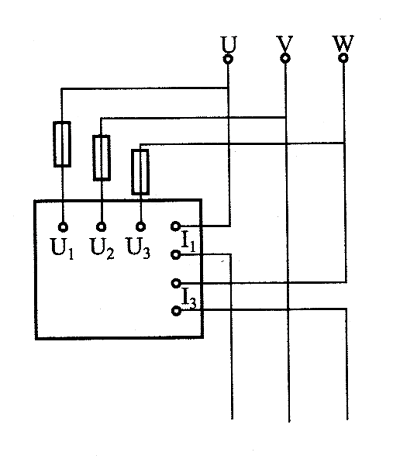
1、三元三相功率表。
根據三表法原理構成,它有三個獨立單元,每一單元就相當于一個單相功率表,三個單元的可動部分都裝置在同一轉軸上,
因此它的讀數就取決于這三個單元共同作用的結果。三元三相功率表適用于測量三相四線制交流電路的功率。
三元三相功率表的面板上有10個接線端鈕,其中電流端鈕6個、電壓端鈕4個。
接線時應注意將接中性線的端鈕接至中性線上;
3個電流線圈分別串聯接至3根相線中;
而3個電壓線圈分別接至各自電流線圈所在的相線上,三元三相功率表的接線方法如圖1所示。

圖1
2、二元三相功率表。
根據兩表法原理構成,它有兩個獨立單元,每一個單元就是一個單相功率表,這兩個單元的可動部分機械地固定在同一轉軸上。
因此,用這種儀表測量時,其讀數是這兩個獨立單元共同作用的結果。
這種二元三相功率表適合于測量三相三線制交流電路的有功功率。
二元三相功率表的內部線路如圖2所示。

它的面板上有7個接線端鈕,接線方法如圖3所示。接線時應遵循下列兩條原則
。
a.兩個電流線圈At、A3可以任意串聯接入被 表的接線方法
測三相三線制電路的兩線,使通過線圈的電流為三相電路的線電流,同時應注意將發電機端接到電源側。
b.兩個電壓線圈Bt和碭通過Ut端鈕和U3端鈕分別接至電流線圈At和A3所在的線上,而U2端鈕接至三相三線制電路的另一線上。
折就是三相有功功率表的接線方式,接線最好由專業人士負責或者有專業人士在旁。

